О сервисе
В нашей библиотеке узлов собрано большое количество альбомов технических решений (АТР), которые разработаны благодаря накопленным знаниям и полученному опыту в ходе монтажных работ на объектах строительства
Этапы оказания услуги
- Обратитесь любым удобным способом в техническую поддержку ТЕХНОНИКОЛЬ
- Сообщите тип конструкции и укажите предъявляемые требования
- Скачайте альбом технических решений
Упрощаем поиск
Найдем и подготовим подходящие альбомы
Сэкономим время
Быстро подберем необходимые узлы
Поможем сделать верный выбор
Вышлем АТР для вашего объекта
Условия предоставления услуги
Профессиональный сервис от квалифицированных специалистов ТЕХНОНИКОЛЬ
Для объектов свыше 1000 м2
При использовании материалов ТЕХНОНИКОЛЬ
Услуга бесплатна
Для объектов менее 1000 м2
Обращайтесь на бесплатную горячую линию ТЕХНОНИКОЛЬ
Перейти в раздел системы
Доступно на территории
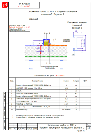
России, Белоруси и КазахстанаПримеры узлов
Все узлы соответствуют стандартам и требованиям при проектировании
Альбомы тех. решений разработаны для систем:
Промышленного и гражданского строительства
243+Транспортно-дорожного строительства, используемых в конструкциях
28+
Специальная услуга
В рамках оказываемого сервиса, сотрудники технической поддержки готовы проконсультировать по разработке нетиповых узлов и решений для вашего объекта

Преимущества наших узлов

- Сэкономьте свое время на разработке узловвоспользуйтесь сервисом по подбору узлов. Скачайте готовые узлы!
- Наши решения получили одобрениеОт ведущих подрядных организаций, которые занимаются монтажом систем изоляции и выполняют узлы примыканий и сопряжений.
- Ежегодно мы проводим круглые столыНа которых собираем обратную связь от наших клиентов, благодаря этому, мы актуализируем альбомы новыми узлами.
Кому будет полезно
![]()
Проектировщикам
На этапе проектирования нового объекта![]()
Заказчикам
На этапе ремонта и реконструкции объекта
Способы консультации
КОНСУЛЬТАЦИЯ ЧЕРЕЗ ФОРМУ НА САЙТЕ
Оставьте заявку через форму заявки на
странице сервисаВРЕМЯ ОТВЕТА: 1 РАБОЧИЙ ДЕНЬ
КОНСУЛЬТАЦИЯ ПО ТЕЛЕФОНУ ИЛИ ПОЧТЕ
Обратитесь по телефону или e-mail
к техническому специалисту, контакты
вы можете найти на сайтеПОЛУЧИТЕ ОПЕРАТИВНЫЙ И РАЗВЕРНУТЫЙ ОТВЕТ
КОНСУЛЬТАЦИЯ В ОФИСЕ ПРОЕКТНОЙ ОРГАНИЗАЦИИ
Специалист технической поддержки
проведет презентацию в вашем офисеУЗНАЙТЕ О НОВЫХ ПРОДУКТАХ И СИСТЕМАХ ТЕХНОНИКОЛЬ
КОНСУЛЬТАЦИЯ В ЛИЧНОМ КАБИНЕТЕ
Оставьте заявку в Личном кабинете на сайте
ВРЕМЯ ОТВЕТА: 3 ЧАСА. ИСТОРИЯ ОБРАЩЕНИЙ СОХРАНЯЕТСЯ В ВАШЕМ ЛИЧНОМ КАБИНЕТЕ
КОНСУЛЬТАЦИЯ В МЕССЕНДЖЕРАХ
Напишите ваш вопрос в чат технической
поддержки в TelegramВРЕМЯ ОТВЕТА: 3 ЧАСА
КОНСУЛЬТАЦИЯ В РЕЖИМЕ ВИДЕОКОНФЕРЕНЦИИ
Пригласите наших специалистов
к видеоконференцииБЛАГОДАРЯ РЕЖИМУ ДЕМОНСТРАЦИИ ЭКРАНА МОЖНО НАГЛЯДНО РАЗОБРАТЬ СЛОЖНЫЕ ВОПРОСЫ
Почему выбирают нас
Проработанные узлы изоляции
Исключат вопросы подрядчиков на этапе монтажа
Техническая документация
Поможет пройти строительную экспертизу и сдать объект в эксплуатацию
Сервис от производителя
Окажем техническую поддержку на всех этапах строительства объекта
Видео для проектировщиков

12 сервисов для проектировщиков: как повысить эффективность работы с ТЕХНОНИКОЛЬ

Личный кабинет проектировщика — это Ваше пространство в ТЕХНОНИКОЛЬ

Оставьте заявку
Вам ответит специалист дистанционной поддержки в течение одного рабочего дня
Только для сотрудников проектных организаций



















